Before using AC charging piles, a series of tests (AC input characteristics, signal output characteristics, timing and instantaneous characteristics, protection functions, etc.) are needed. DC charging equipment has high output voltage and high power, which belongs to fast charging and directly charges the power battery in the electric vehicle. Therefore, the test of charging pile and DC charger is particularly important.
A variety of charging piles can be seen in the street. The charging piles are only part of the electrical system of the charging station. The complete electrical system of charging station includes three parts: power supply system, charging system and monitoring system.
The power supply system mainly provides power for charging equipment. It consists of primary equipment (switches, transformers, lines, etc.) and secondary equipment (including detection, protection, control devices, etc.). It is specially equipped with active filter devices to eliminate harmonics and stabilize the power grid.
Charging equipment is the core part of the electrical system of the whole charging station. Generally, DC charging device and AC charging device (pile) and DC charging device, i.e. non-vehicle charger, realize the fast charging function of batteries. The AC charging pile mainly provides the function of slow charging for vehicles. The output is AC, which connects the vehicle charger.
Charging monitoring system consists of one or more workstations or servers, which can include monitoring workstations, data servers, etc. These computers are connected through the network. The monitoring workstation provides a man-machine interface for charging monitoring, realizing the monitoring and data collection and query of chargers, and the data server stores the original data and statistical analysis data of the whole charging system, providing data services and other application services.
Standard requirements for power supply systems
a.Power supply requirements
charging station should use 10 (20) KV voltage level power supply; AC charging pile should use 380V or 220V voltage level power supply; DC charging pile should use 380V voltage level power supply.
b.Power quality requirements
the voltage deviation of power supply should meet the requirements of 10 (20) KV and the following three phases, the voltage deviation of power supply should not exceed (+7%) of nominal voltage; the voltage deviation of 220V single-phase power supply should not exceed (+7%) and (-10%) of nominal voltage; the frequency deviation should not exceed (+0.2 Hz); the harmonic voltage limit of public power grid should be 10 (20) KV three phases. The total harmonic distortion rate of voltage is less than 5% and 380V, and the total harmonic distortion rate of three-phase voltage is less than 4%. The power factor of 10 (20) KV side of transformer is not less than 0.95 under maximum load operation.
C. Electrical metering requirements:
the parts that need to measure and measure energy efficiency include: transformer high and low voltage side feeder circuit, charger circuit, charging pile power supply circuit; accuracy requirements should be loaded GB/T 50063-2008 and DL/T 5137-2008.
Principle of AC Charging Pile
The main circuit consists of input protection circuit breaker, AC smart watt-hour meter, AC control contactor and charging interface connector. The secondary circuit consists of control relay, emergency stop button, operation status indicator lamp, charging pile intelligent controller and man-machine interaction equipment (display, input, swipe card). Form.
Principle of DC Charging Pile
The three-phase grid of the DC charging pile electrical system inputs alternating current and converts it into direct current through three-phase bridge uncontrollable rectifier circuit rectifier. After filtering, the power converter is supplied to the high frequency DC-DC power converter. The power converter outputs the required direct current through direct-to-direct conversion and recharges the pure electric vehicle power battery after filtering again.

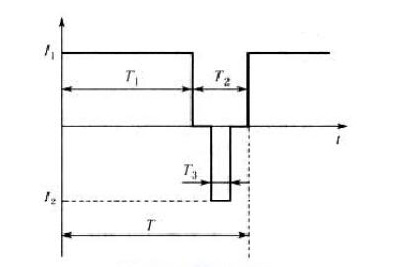
The new type of DC charging pile adopts fast charging method. This system is different from the traditional charging method of continuous current and pulse current. It adopts the intelligent variable pulse charging method, that is, the charging current pulse shown in the following figure, including charging pulse T1 intermittent pulse T2 and discharging pulse T3. By intermittent charging, oxygen and hydrogen produced by chemical reaction of the battery can be absorbed in time, so that the next round of constant current charging can be more smoothly carried out, so that the battery can absorb more electricity.
Standard AC power supply APA1000 series and
Intelligent AC power supply APA2000 series can fully guarantee the reliability test of AC charging pile, and through RS232 or RS485 interface and computer connection, self-editing test procedures for automatic testing, automatic recording of test data, better research and development and manufacture.
Standard DC power supply APD1000 series and
Intelligent DC power supply APD2000 series can fully guarantee the reliability test of DC charger, and through RS232 or RS485 interface and computer connection, self-editing test program for automatic test, automatic recording test data, better research and development and manufacture.