AC source power & DC source power manufacturing factory

Filtering Circuit in DC Power Supply

The basic concept of filter (AC filter): The filter circuit realizes the filter by utilizing the different impedance of reactance components to AC and DC. Capacitor C is open to DC and has low impedance to AC, so C should be connected in parallel at both ends of the load. Inductor L has small DC impedance and large AC impedance, so L should be connected in series with load. After the filter circuit, not only the DC component can be retained, but also a part of the AC component can be filtered, which changes the proportion of the AC and DC components, reduces the pulse coefficient of the circuit and improves the quality of the DC voltage.
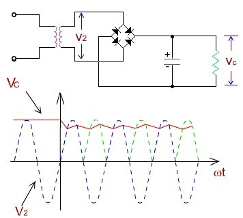
Capacitance filter, shown in load resistance parallel to a filter capacitor C. Capacitance is Connected directly, and voltage can not change abruptly. So it can only be connected in parallel in the circuit, DC from the load, AC from the capacitor, so as to achieve the purpose of filtering. Because of the energy storage function of capacitors, the output waveform is relatively smooth. The larger the discharge time_=RLC, the slower the discharge process and the better the filtering effect (voltage smoothness) of the output voltage pulsation (ripple: noise component attached to the main current signal, small amplitude AC, can not be completely isolated, generally required within 1% of the main voltage, such as power supply 12V, then theripple of the power supply can not be greater than 120mV).
 
Inductance filtering, which can also filter the inductance L in series with the load RL of rectifier circuit, takes advantage of the fact that the current of inductor L of energy storage element can not change abruptly. Inductance is directly separated from traffic, so it should be connected in series. From the energy point of view, when the current supplied by the power supply increases (caused by the increase of the power supply voltage), inductor L stores the energy; when the current decreases, it releases the energy to make the load current smooth, so inductor L has a smoothing effect (current smoothing).

 
Disadvantage: There is a core, bulky, bulky, easy to cause electromagnetic interference, generally only suitable for low voltage, high current occasions.
Recommend Products
Online service
Service Hotline
86-769-89616802
86-13602353727

ADMIRE POWER